防腐保护:船用C2/C5防护,适合海洋环境
防护等级:IP67,可选配IP68
环境温度:温度范 -25℃℃...+70℃℃,可选配低温型-40℃℃...+60℃℃
相对湿度:<95%(25℃℃)
扭矩范围:35...20 000Nm
噪音等级:1m内小于75dB
产品优势
专利机构设计
结构紧凑,占用空间小。无离合器设计,在 产品电动运行时也可转动手轮,互不干涉, 从而保证操作者的安全。采用行星齿轮技术,实现手动和电动控制相结合。
安全免维护
无需周期性维护,可长期无故障运行, 正常工作环境下时间达10年。
力矩保护
过力矩时会自动跳断,防止对阀门和执行器 的进一步损坏。
运行诊断
内置多重传感装置,可实时反应执行器接收的控制信号、故障报警、运行参数、状态指示等。多重诊断功能,可定位故障的发生部位,为用户故障排除提供有力的方向。
运行安全 - 超温保护/电压保护
F级绝缘电机,电机绕组设有温控开关检测 电机温度,提供超温保护,确保电机运行安全。内置电压保护,提供电压过高和过低对 电机的保护。
防潮加热
执行器内部安装加热器,用来去除内部凝露 对电器部件的损害。
可更换连接部件
根据阀门的主轴不同,执行器的输出套设计 成花键形式,可以快速调试及更换。底部连 接孔按照ISO 5211标准,设计有多种不同大小的连接法兰,便于匹配不同孔位及角度的 阀门连接。
型号规格/尺寸 EOM2-EOM9


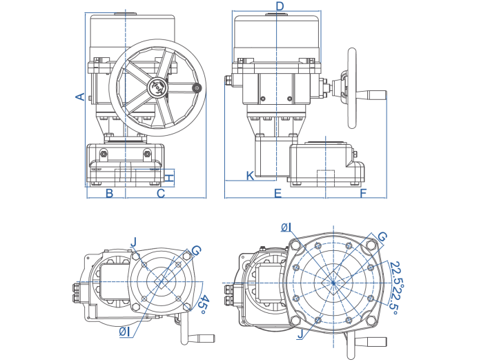
型号规格/尺寸 EOM10-EOM12



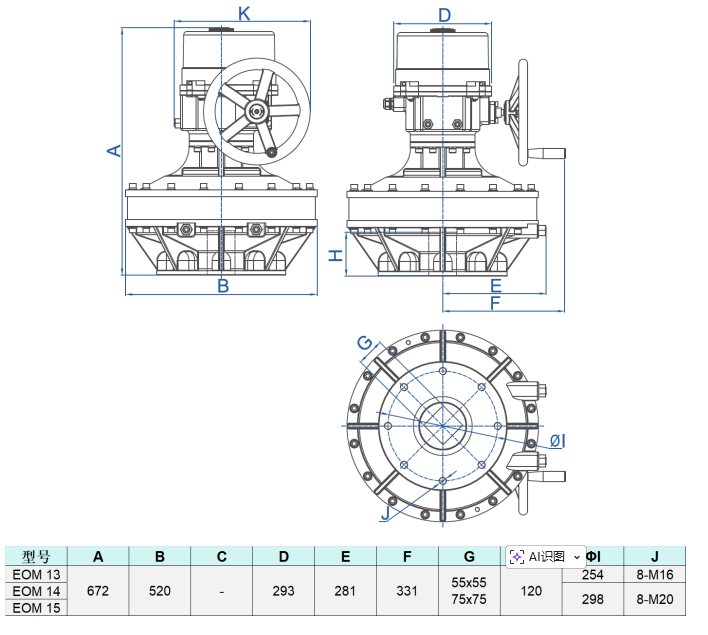
型号规格/尺寸 EOM13-EOM15


防爆执行器型号规格 EXB2-EXB15

